粉体除去でお困りなら ECO-TRAPPER 粉体除去機器 / 低コストをお望みなら ECO-SCRUBBER 排ガス除害装置

お問い合わせ・ご相談







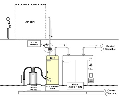
AP-CVD/R-101
PE-CVD/TEOS/ R-101
LP-CVD/ R-301
Metal Etcher/ R-401
D/Ech+エレメント交換
Implant+エレメント交換
CVD+乾式除害剤交換
D/Ech+乾式薬剤交換

















実例 1 : T社 / AP-CVD / SiH4 / R-101
【改善前排気ライン】
フィルター : 内臓フィルター
乾式除害装置 : TT社製

【改善後 排気ライン】
フィルター : JESCO製 エコトラッパー R-101
乾式除害装置 : TT社製



乾式除害装置に内蔵されたフィルター方式はメンテ頻度が多く、その上メンテ費も高価でした。そこで当社のエコトラッパーR−101をご採用いただき、費用対効果は、12か月で償却しました。このようにして粉体問題を解消し、同時にランニングコストを1/10に低減しました。







実例 2 : R社 / PE-CVD / TEOS / R-101
【改善前 排気ライン】
真空ポンプ : EBARA製
フィルター : T社製 渦巻きフィルター
熱分解式電熱型除害装置 : KT社製

【改善後 排気ライン】
真空ポンプ : EBARA製
フィルター : JESCO製 エコトラッパー R-101
熱分解式電熱型除害装置 : KT社製



TEOSの場合、アルコールを含んだ副生成物体のため、粘性が強く、他社の渦巻きフィルターではメンテナンス頻度が極めて多くなり使用に耐えませんでした。当社のエコトラッパーR-101を採用することにより、費用対効果は、15か月で消却できました。粉体問題を解消するだけでなく、その後のランニングコストを低減1/6に低減しました。同時に後段の電熱型除害装置のヒーター切れやオートクリーニング頻度を半減させました。




実例3 : T社 / LP-CVD / R-301
【改善前 排気ライン】
真空ポンプ : EBARA製
フィルター : T社製 渦巻きフィルター
乾式除害装置 : CT社製

【改善後 排気ライン】
真空ポンプ : EBARA社製
フィルター : JESCO製 エコトラッパー R-101
乾式除害装置 : CT社製


他社の渦巻きフィルターではメンテナンス頻度が多く、またメンテ費も高価で負担となっていました。当社のエコトラッパーR−301を採用することにより、費用対効果は、12か月で償却できました。粉体問題を解消するだけでなく、その後のランニングコストを1/6に低減しました。R-301のフィルター交換メンテは、1回/年で大幅なコスト・リダクションを実現しました。




実例4 : T社 / Al-Etcher / R-401
【改善前 排気ライン】
真空ポンプ : EBARA製
フィルター : T社製 熱成形フィルター
乾式除害装置 : SD社製

【改善後 排気ライン】
真空ポンプ : EBARA製
フィルター : 当社製 エコトラッパー R-401
乾式除害装置 : SD社製



乾式除害吸着筒内で粉体による吸着剤の目詰まりを起こし、ドライポンプの排圧異常により装置停止することがしばしば発生しました。他社の熱成形フィルターを使用されていましたが、寿命が短い上にメンテ費も安くなかったこともあり、改善テーマに上がりました。





実例5 : R社 / Dry Etcher / ECO-PAC V エレメント交換
【改善前 排気ライン】
真空ポンプ : EBARA製
フィルター : T社製 成形フィルター
乾式除害装置 : SD社製

【改善後 排気ライン】
真空ポンプ : EBARA製
フィルター : 当社製 エコ・パックV
乾式除害装置 : SD社製



他社製のフィルターハウジングにも互換性を有していますので、フィルターエレメントのみのご用命も承りますのでエコパック エレメントT、Vをご愛用ください。ランニングコストを最大50%低減しました。

50% 削減




実例6 : R社 / Implant / ECO-PAC エレメント交換
【改善前 排気ライン】
真空ポンプ : EBARA製
フィルター : T社製 成形フィルター
乾式除害装置 : SD社製

【改善後 排気ライン】
真空ポンプ : EBARA製
フィルター : 当社製 エコ・パック
乾式除害装置 : SD社製



他社製のフィルターハウジングにも互換性を有していますので、フィルターエレメントのみのご用命も承りますのでエコパック エレメントT、Vをご愛用ください。ランニングコストを最大50%低減しました。

50% 削減




実例 7 : T社/AP-CVD/乾式除害装置/薬剤交換費
【改善前 排気ライン】
真空ポンプ : EBARA製
フィルター : TT社製 内臓フィルター
乾式除害装置 : TT社製
薬剤 : TT社製吸着剤

【改善後 排気ライン】
真空ポンプ : EBARA製
フィルター : TT社製 内臓フィルター
乾式除害装置 : TT社製
薬剤 : 当社製吸着剤 JESCO-1



各種プロセスに対応する当社配合薬剤を取り揃えております。

30% 削減




実例 8 : T社/Dry Etcher/乾式除害吸着筒/薬剤交換費
【改善前 排気ライン】
真空ポンプ : EBARA製
フィルター : なし
乾式除害装置 : S社製
薬剤 : S社製吸着剤

【改善後 排気ライン】
真空ポンプ : EBARA製
フィルター : なし
乾式除害装置 : S社製
薬剤 : 当社製吸着剤 JESCO-3



各種プロセスに対応する当社配合薬剤を取り揃えております。

30% 削減



AP-CVD/R-101 PE-CVD/TEOS/ R-101 LP-CVD/ R-301 Metal Etcher/ R-401
D/Ech+エレメント交換 Implant+エレメント交換 CVD + 乾式除害剤交換 D/Ech + 乾式除害剤交換
社名、ロゴは日本エコサイエンス株式会社の商標です。記載内容は予告なしに変更される場合があります。許可なくコンテンツの使用及び転載を禁止します。
Copyright (C)2005-2006 Japan Eco-Science Corporation All rights reserved